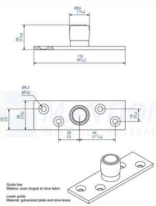
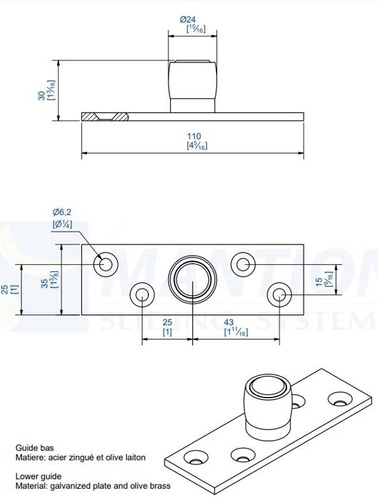
- Stabilizuje drzwi, bramy, okiennice przesuwne lub harmonijkowe.
- Rolka mosiężna o średnicy Ø24 mm
- Dedykowana do dolnych szyn prowadzących MANTION 1110 (30x30 mm)
- Płytka montażowa 25 x 110 mm
- Masa 0,19 kg/szt
Wzmocniona dolna rolka stabilizująca MANTION 1101, Ø24 mm
Wzmocniona dolna rolka stabilizująca MANTION 1101, Ø24 mm to niezawodny element systemów podwieszanych MANTION. Dzięki swojej solidnej konstrukcji i precyzyjnemu wykonaniu, zapewnia stabilność i płynne działanie transportu podwieszanego, bram przemysłowych oraz systemów do drzwi harmonijkowych.
HERCULE 9040 to system podwieszany o nośności 400 kg, idealny do zastosowań przemysłowych. Dzięki wzmocnionej dolnej rolce stabilizującej MANTION 1101, Ø24 mm, zapewnia niezawodną stabilność i płynne działanie. Doskonale sprawdza się w transporcie ciężkich ładunków, zapewniając bezpieczne i efektywne przenoszenie.
SPORTUB 6255 to brama przemysłowa o nośności 400 kg, wyposażona w wzmocnioną dolną rolkę stabilizującą MANTION 1101, Ø24 mm. Dzięki solidnej konstrukcji i precyzyjnemu wykonaniu, zapewnia niezawodność i trwałość. Doskonale sprawdza się w intensywnym użytkowaniu w zakładach przemysłowych i magazynach.
SPORTUB 600 to system do drzwi harmonijkowych o nośności 150 kg lub 300 kg, w zależności od wersji. Wyposażony w wzmocnioną dolną rolkę stabilizującą MANTION 1101, Ø24 mm, zapewnia płynne i ciche działanie. Solidna konstrukcja gwarantuje trwałość i niezawodność, co sprawia, że system ten doskonale sprawdza się w różnego rodzaju obiektach.






