- Zestaw wózka z akcesoriami, bez prowadnicy.
- Do miejsc o dużym natężeniu ruchu.
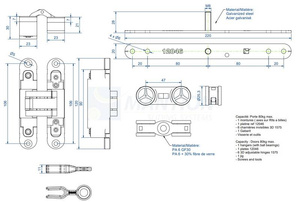
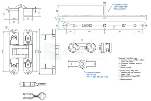
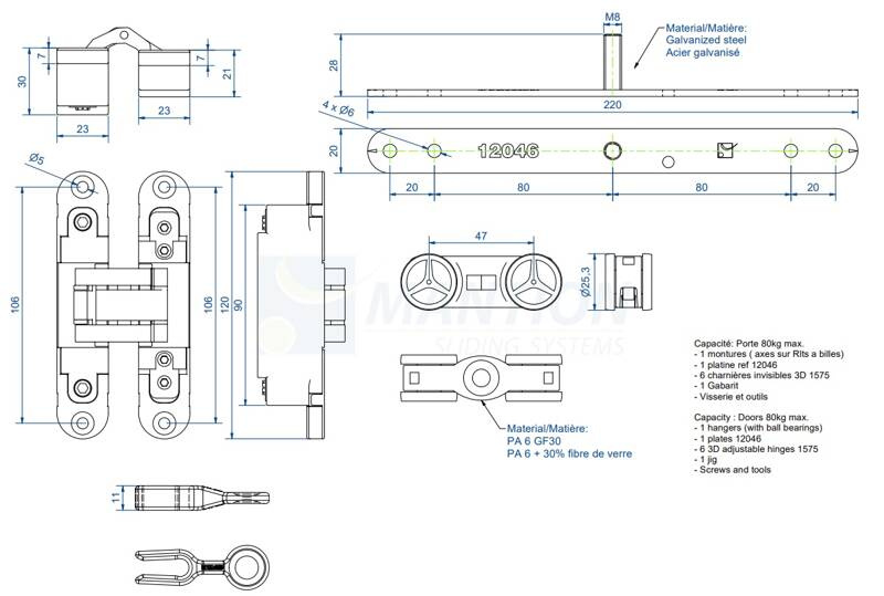
- Zawiera: 1x wózek 13232 (łożyskowany); 1x wzmocniony uchwyt montażowy wózka 12046; 6x wzmocniony zawias 1575; elementy montażowe; instrukcję
- Masa 2,7 kg
Zestaw MANTION SFOLD80-2, bez prowadnicy, do użytku intensywnego
Systemy do drzwi harmonijkowych SAF FOLD (80 kg) to idealne rozwiązanie do montażu drzwi harmonijkowych o wadze do 80 kg. Dzięki temu zestawowi, można stworzyć praktyczne i estetyczne rozwiązanie do przestrzeni, które wymagają oszczędności miejsca.
Zestaw MANTION SFOLD80-2 to solidny i trwały produkt, który sprawdzi się w intensywnym użytkowaniu. Dzięki wysokiej jakości materiałom, drzwi będą działać płynnie i bezawaryjnie przez wiele lat.
Systemy podwieszane MANTION oferują łatwy montaż i regulację drzwi, co sprawia, że są one bardzo wygodne w użytkowaniu. Dodatkowo, estetyczny wygląd i solidna konstrukcja sprawiają, że są one idealnym rozwiązaniem do wielu przestrzeni.
W zestawie znajdują się wszystkie niezbędne elementy do montażu drzwi harmonijkowych o wadze do 80 kg. Zestaw MANTION SFOLD80-2 nie zawiera prowadnicy.






